一、前言
大连集发南岸国际物流有限公司位于大窑湾三期码头后方30万m2场地南部地块,属于集装箱港区用地,与大连一、二、三期集装箱码头和大连铁路中心站距离适中,由大连港集装箱发展有限公司投资兴建,总占地面积为109120.1 m2,场地建有三座甲级库,面积1640.4 m2;二座遮阳货棚,面积3099.6 m2;并建有完善的电气防爆(ⅡCT4)、防雷(一级)、消防报警、喷淋降温及污水收集和处理设施,是东北地区目前唯一危险货物集装箱专用场站。
该工程于2012年12月竣工投入使用,年操作能力8.06万TEU。主要从事2类、3类、4类、5类、6类(6.2类除外)、8类和9类危险货物集装箱堆存、拆装箱、库存及分拨配送。
2016年实现经营收入3134万元。
二、背景
大连集发南岸国际物流有限公司是大港集箱全资子公司,场地建立之初定位为大连口岸危险货物进出口的后方堆场,场地原有的图形化系统主要围绕业务模式进行操作,相对于安全方面的管控能力不足,与监管部门及救援单位联动不够。结合“812”天津爆炸事件,我们进行探索与研究,由于信息的不透明、不及时、不统一,导致救援过程中不必要的损失及人员的伤亡。根据此情况,大连集发南岸国际物流有限公司立即自检自查,进行问题整改。同时,针对天津爆炸事件所暴漏的信息不透明等问题,对现有业务系统增加“安全管控”、“信息联动”、“应急处理”等功能进行创新设计规划,提出了为确保企业安全生产为目标,安全管控为手段的,具备“业务”“安全”“应急”三位一体的创新管理模式,完成了(数据)图形化系统及异地容灾备份等系统的建立。以资讯、数据等技术手段和硬件的创新建设提升危险货物的安全操作及应急处置能力。
三、现状分析
众所周知,危险货物与普通货物相比,具有极高的危险性,危险货物由于涉及社会、企业、人民生财产等诸多安全、环保问题不仅受到社会广泛关注,同时也受到国家法律、法规的约束和监督。危险货物的特殊性使得其安全管理工作显得尤为重要。结合“812”天津爆炸事件,我们不难看出,信息化系统在灾难发生的事前,事中,事后的重要性。所以,我们在想,能否可以通过资讯手段,让危险品不危险。
事前,让我们加强对危险货物的管控,对信息的透明化,与职能部门以及救援单位有良好的联动机制。
事中,灾难发生时,可随意调取场区内所有货物的信息以及MSDS的信息。及时的与救援单位进行联动,为救援节省时间,减少灾难的损失。
事后,有数据的容灾系统,有数据,有记录。
根据以上,我们在“回头看”活动中思考与探究,(数据)图形化系统在危险货物仓储业务操作模式中是一种创新的操作模式,不在是单一的通过数据表格查询货物的基本信息及MSDS信息,而是通过(数据)图形化系统可以直观的了解场地内的堆存情况以及位置并且能够迅速的根据集装箱位置调取MSDS信息,实时管控场地内危险货物的情况。因此,本系统的核心:不是简单的将数据导入(数据)图形化系统进行展示,而是通过可视化系统对场地内危险货物的进行有效的管控和操作。同时,大连集发南岸国际物流有限公司,将系统接入至大连港集团、大港集箱调指、大窑湾消防支队等监管部门及救援单位,实现数据透明化,让系统具备安全管控、信息监管、实时救援的一种创新操作模式。实现上述目标,主要通过五个环节:
1)融合,与现有的业务生产系统数据融合,实时掌握现场的数据动态。
2)监测,通过图形可视化界面及后台数据库,实时显示在场货物名称、货物类别、位置、箱号、应急联系人等信息。同时,可以调取货物的MSDS信息。
3)预警,根据场地对货物堆码的隔离要求及重大危险货种的堆存量上限,预警系统将实时进行监控,超出隔离要求及堆存量上限,将及时报警,并在图形化系统中标注为特殊颜色。
4)联动与应急,(数据)图形化系统通过大连港集团内网,已与大连港大数据平台、大窑湾消防支队、集装箱调度指挥中心进行联动,场地的信息可以通过网络实时的与各个职能单位进行传输。出现应急情况,(数据)图形化系统可以通过锁定应急箱功能,进行锁定,救援人员在远端就可以了解应急事故箱的基本情况,位置,MSDS应急处置方法,以及应急事故箱周围货种的情况。大大减少现场研判的时间,以及救援的风险。
5)系统备灾机制,应用系统数据在本地与大窑湾数据中心进行备份(相隔约5公里),每周在大连市内进行备份(相隔约30公里)。MSDS信息实时与大连港集团大数据平台、大窑湾数据中心进行备份。
四、实施过程
1.立项
1)大连集发南岸国际物流有限公司位于大连大窑湾港区,业务领域已经从单一的码头后方危险品堆存拓展到:以危险品为主营业务的集装箱以及危险品货物的装箱业务、拆箱业务、集装箱堆存进出业务、危险品货物仓库业务、危险品配送、作业资源调度、场内无线作业以及相关的计费结费过程。业务范围全面,由于涉及到危险品集装箱、货物的各项业务,本着场站安全第一位的原则,需要健全强大的基础信息平台支撑。
2)提高企业对危险货物的管控能力,同时在危险货物发生事故时,(数据)图形化系统能及时调取的货物数据信息、位置以及货物的MSDS信息,并实现与救援单位的及时联动。
3)帮助企业依法生产,避免或减少违法生产所带来的法律处罚或关停风险。
4)提高企业安全生产的管控能力,避免人为操作导致的重大危险货物存储量超标,避免重大安全生产事故的发生,保证企业能够安全发展。
2.基本原理
.jpg)
(数据)图形化处理系统是依据危品场站从安全管控方面和规范化操作方面的要求进行设计建设的,这是与普通场站系统建设区别最大的地方,因此强化系统安全管理和流程规范化操作是必须满足的。本次建设的图形化处理系统其特点如下:
1)GIS图形应用:GIS在处理二维图形方面具备强大的功能,特别是在矢量图形处理方面,应用该技术在图像放大、缩小时能避免失真。
2)无线终端设备应用:本次图形化系统的建设为了保证系统数据采集的实时性,应用了智能大门采集和无线终端进行作业,保障系统采集数据的效率。
车载响应速度:1秒完成
大门设备采集:5秒完成
3)信息共享:利用无线和网络技术实现消防队、派出所和集团调度指挥中心通过图形化系统进行信息实时共享。
4)MSDS对接:本次搭建MSDS硬件平台与图形化系统完成对接,方便企业、消防和集团相关管理部门进行实时调用。
应用技术描述如下:
•开发语言:微软C# 2010开发
•中间件:GIS地理图形组件和NHibernate数据持有层
硬件平台:双备份与容灾机制的硬件平台。
3.实施方案
根据背景情况,大连集发南岸国际物流有限公司委托大连口岸物流科技有限公司对现有系统及(数据)图形化系统进行融合及升级改造。
方案如下:
.jpg)
(数据)图形化系统结构图
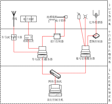
1)智能大门系统
集装箱场站的SmartGate控制系统,是对进出场站大门卡口的货物、运输车辆进行自动识别和实时监控的软硬件一体化产品。实现远程操作、进出卡口通道内无人值守、减少人工干预、提高数据采集的可靠性和准确性,并加快集装箱及散货车辆通过大门的速度,彻底改变因人工作业引起的效率低、易发生箱货丢失和走私等现象,为实现整个运输过程的全程监控提供完整、实时、准确的信息。
场站SmartGate由以下多个系统共同组成,来实现以上所述功能和业务:
•电子车牌自动识别系统:用于识别集装箱等运输车辆的RFID电子车牌号码;
•集装箱箱号、箱型自动识别系统:用于识别各种类型集装箱的物理箱号、箱型代码;
•交通控制(电子挡杆)系统:用于指示、引导和控制作业车辆的有序、快捷行驶;
•电子地磅称重系统:采用电子地下衡及仪表,实时接收拖车经过大门时的重量。
.gif)
通过上述功能采集进场危险货物集装箱的基本信息。
2)车载终端系统
通过2.4G无线网络,可实现控制中心与作业现场的实时信息双向传输。如向作业现场发送作业设备调度指令、货柜调动指令、货柜集卡的提箱/落箱安排指令、集装箱装卸作业等指令;现场理货人员通过无线网络,可将现场实时作业信息传回管理控制中心,如将现场集装箱实时位置信息定时确认给管理控制中心,中控管理人员即可方便对此堆场场位操作。
.jpg)
.jpg)
(数据)图形化系统可通过车载终端的操作,实时显示集装箱的动态位置信息。
3)图形化界面
大连集发南岸国际物流有限公司通过建立了完善的危险货物储存系统,结合场区内无线终端操作,实现场地仓库及堆存区货物图形化显示方式达到快速查询数据的目的。操作人员只需将鼠标悬停在场图中的集装箱上,即可获得场内实时集装箱的箱号、货物名称、位置、货物类别、箱来源、应急联络人及电话等信息。系统通过数据传输,可直接在控制中心的大屏幕显示,所有信息一目了然。
.jpg)
4)分类显示
分类显示可通过集装箱层数进行实时显示,也可通过危险货物类别进行实时显示。注意,这里的分类显示,是一个操作模块,用户可根据自己的需求调整所需显示的类别,同时自定义所需显示的颜色标识。
.jpg)
5)搜索
用户可根据提单号、箱号、货物名称、货物危险等级进行搜索。
.jpg)
6)高危货种预警
高危货种预警系统,主要对危险货物隔离要求及货物超量堆存进行预警。
如场区内箱量超过设定标准,计划员在预约时就进行超量预警。进入大门时,对控制中心及检查桥人员进行预警,并做相关记录。
如场区内货物,未按照隔离要求堆码,系统将对检查桥及控制中心人员进行预警,并做相关记录。
7)视频监控系统
场地内共18组模拟防爆探头,12组数字探头,实现场区内全覆盖。所有探头可通过(数据)图形化系统进行调取,实时监控场区实体集装箱及货物的动态。
.jpg)
8)大窑湾消防队
实现与大窑湾消防支队信息联动,消防队可实时查询在场货物信息。
9)集箱调指
实现与大港集箱调度指挥中心信息联动,大港集箱调度指挥中心可实时查询在场货物信息。
10)大数据平台
通过数据共享技术,实现实时将业务数据实时上传至大连港集团大数据平台。
.jpg)
11)MSDS数据备份
MSDS备份数据存放在大连集发南岸国际物流有限公司服务器内(10.11.2.42)。同时,数据实时向大窑湾数据中心、大连港集团大数据平台进行备份。实现数据异地备份机制。
12)业务数据备份
业务系统数据全部托管在大窑湾数据中心,大窑湾危险货物专用场站
13)事故箱锁定
(数据)图形化系统,可锁定事故箱,且与大窑湾消防支队及其他客户端联动显示。消防队在出警前,即可了解事故箱位置、事故箱周围货物信息,以便提前做好扑救准备,快速到达事故现场。
.jpg)
14)应急预案
应急预案分为:MSDS系统应急预案、资讯系统应急预案两部分(附件1、附件2)。
4、经济和社会效益分析报告
1)经济效益分析
a)通过(数据)图形化系统在危险货物仓储管理中的创新研究和探索,可以大大节省操作成本,同时可推动危险货物堆存行业整体效益向安全可控、降低成本损耗方向发展,对企业核心竞争力的提升发挥了重要的作用。
b)放箱现场作业时间由原来的30分钟降低到了10分钟,通过货物危险类别科学划分堆存区域,减少正面吊与拖车运行的距离及时间,减少作业成本。
c)经济效益统计
每减少20分钟可以创造出160元的经济效益
放箱作业时间由原来的30分钟降低到了10分钟,为企业及客户节省了20分钟的有效作业时间。按每台集装箱拖车每月平均收入为人民币3万元,每月平均工作天数为30天,每天平均工作时间为12小时统计,每台拖车每小时的收入=30,000/30/12=83元,平均每减少20分钟可以创造出160元的经济效益。
集团大数据平台每日需要场站进行数据汇总上传,人工成本平均每日按照260元计算,每天需要上传MSDS及数据信息的时间约为1小时,每天按照12小时工作量,每日上传数据人工成本为21.6元,通过(数据)图形化系统自动上传功能,按照一个月30天计算,每月可节省648元,每年节省人工成本7776元/人/年。
单箱综合经济效益:(A+B+C)/365= 42元
“大连集发南岸国际物流有限公司”月均提箱出场箱量为2225自然箱,如此项目之应用,对于提箱人和堆场的月均综合作业成本能节省42*2225=12万元,全年则可节省达110万元,经济效益价值可观。
2)社会效益分析
a)降低危险货物运输车辆在公用道路上、通道等待而的形成的道路拥堵,促进了道路畅通,减少了危险货物车辆在道路上可能造成的危险。
b)通过(数据)图形化系统,降低了人工协调成本,减少了场地操作的繁复工艺,简单直观的操作现场的危险品货物堆码。减少了MSDS的上传时间,减少了MSDS上传不及时的隐患。降低了对危险品管控风险,达到实时上传的目的。
c)(数据)图形化系统应用了大量的先进技术与GIS图形化技术,通过直观的图形化系统,大大提高了对操作、管理、安全、联动、应急的的能力。同时,缩短了与监管单位、救援单位的响应时间。因此通过本项目的应用效果来看,本项目的应用推广也可作为智慧港口组成的一部分,具备极大的社会意义。
d)本项目研究综合了目前现有的同类项目建设和使用的成功经验,解决了信息透明、容灾备份、信息互联、数据共享等目的。(数据)图形化系统在提升安全管控及与救援单位达到信息化系统的统一应用,为行业内其他同类项目的设计和建设提供了宝贵的经验。
实施效果
1)与消防队联合演习
a)(演练场景)叉车在B02拆装3类危险品作业时发现盛装货物的货桶发生渗漏。
b)现场业务员发现货桶泄漏后,立即疏散现场人员,并向控制中心报告。
c)控制中心确认发生险情后立即向消防队报警,向上级有关部门报告。
d)危险品场站成立应急指挥中心,研判货物MSDS后立即启动应急预案,上报集箱安监部,指挥公司应急救援组对货桶堵漏。
e)接引消防车进场救援,与消防队交接MSDS。
f)堵漏救结束后通知东泰公司对泄漏物进行回收。
.jpg)
.jpg)
2)与市环保局联合演习
a)(演练场景)现场业务员在巡视现场过程中发现应急处理区二硫化碳储罐发生燃烧;
b)指挥部根据(数据)图形化系统锁定应急箱,并调取MSDS,及时通过与消防队的系统联动,对货物进行研判研判,同时配合消防队对应急救援的组织协调;
c)大连集发南岸国际物流有限公司对事故现场的人员及周边企业疏散;
d)大连港公安局消防支队的应急救援;
e)应急救援组利用堵漏工具应急救援;
f)环保局对大气和水质的应急监测;
g)东泰公司对固废及事故水的收集处置。
h)演练结束。
.jpg)
.jpg)
五、展望
1.物联网数据整合
目前,大连集发南岸国际物流有限公司在原有系统的基础上,在场地内进一步实施了数字视频系统全覆盖、基于温感的红外测温系统,进一步为安全监控和检测提供信息保障。系统下一阶段的设计思路,是整合场地内所有物联网硬件,有机结合在一起,形成一个统一的安全监控平台。
加强现有操作系统功能,提升物联网设备覆盖范围,打通各系统之间的数据通道,将现有所有静态管理信息、安全应急预案、危险品处置方案、动态业务数据、物联网设备、仪器仪表、自动化控制系统、红外测温系统、场地无线设备、视频信号、红外检测、光纤振动监测系统,有机整合到一体化的平台中,实现基础信息、动态信息、自动化设备的有机结合,成为危险品管理、操作、安全预警、处置的可视化、智能化、一体化平台。
.jpg)
2.数据共享
大连集发南岸国际物流有限公司目前已经完成了第一阶段的开发。后续还将与集团及监管单位进行数据、视频共享、风向风速、自控系统、消防系统、门禁系统等大数据整合及危险品场站系统的统一规划及管理,把海事、检验检疫的数据接入危险品管理系统,形成及时互动机制及危险品预测机制的一套完整体系。
通过对危险品操作系统升级及技术创新,我们将以前各个端口数据进行整合及统一管理,形成统一的安全监控管理中心,提升安全管控的水平,完成了应急处置系统,同时实现与口岸监管部门之间信息互动,形成口岸危险品点、线、面结合的立体式管控体系,使大连集发南岸国际物流有限公司的安全管控的水平上升到一个新的高度。
最新案例
